Zugkraft: bis zu 5.443 kg

Seilwinden GM Serie

Blaue Gearmatic Seilwinde der GM-Serie für Offshore- und Bohranwendungen

Seilwinden GM-Serie – Zuverlässige Leistung für raue Einsätze

In maritimen Anwendungen oder beim Bohren unter extremen Bedingungen stoßen viele Winden an ihre Grenzen: Korrosion, Ausfälle nach Standzeiten oder komplizierte Wartung sind häufige Herausforderungen. Genau hier setzt die GM-Serie an.

Mit einer Zugkraft von bis zu 5.443 kg bietet die GM12A zuverlässige Performance – auch unter härtesten Einsatzbedingungen. Die Seilwinde wurde speziell für den Einsatz auf Fischerei- und Bohrplattformen sowie beim Baggern entwickelt. Hochwertige Materialien, durchdachtes Design und eine robuste Bauweise sorgen für eine lange Lebensdauer, einfache Wartung und maximale Kontrolle.

Vorteile für Ihre Anwendung:

  • Reibungsarme Sintermetall-Bremsscheiben für gleichmäßiges Arbeiten und optimale Wärmeabfuhr
  • Geräuscharmer Lauf dank profilierter Planetenräder
  • Korrosionsgeschützte Dichtflächen aus Edelstahl – ideal für Salzwasserumgebungen
  • Klare Sicht auf den Ölstand durch integriertes Schauglas
  • 360°-Montagemöglichkeit dank drehbarer Entlüftung
  • Schnelle Wartung durch einfache Zugänglichkeit
  • Montage mit Standardbohrbild möglich

Typische Einsatzbereiche:

Fischerei, Offshore-Bohrungen, Baggerarbeiten, Schiffsdeckwinden, Hebeanlagen

Die GM-Serie verbindet jahrzehntelange Gearmatic-Erfahrung mit moderner Technik – für höchste Anforderungen und minimale Stillstandzeiten.

Logo der Marken Braden, Carco und Gearmatic – Teil der PACCAR Winch Division.

GM

TECHNISCH DATEN 

Übersetzungsverhältnis

41:1

Gewicht der Seilwinde

238kg bis 247kg

Motor

051 (5,1 CID)

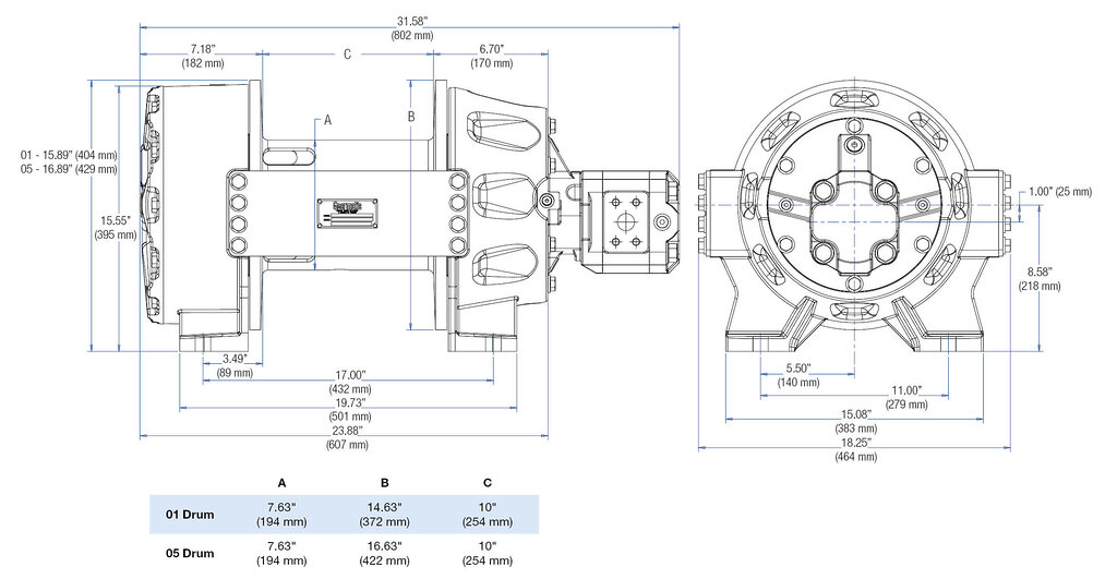
Trommelgröße

01 — 194 mm Trommel x 372 mm Flansch x 254 mm Flanschabstand
05 — 194 mm Trommel x 422 mm Flansch x 254 mm Flanschabstand

Seildurchmesser

⌀ 10mm, ⌀ 11mm, ⌀ 13mm, ⌀ 14mm, ⌀ 16mm

Seilkapazität

01 —  Seil ⌀16mm x L=68,6m (225 ft) 05 —  Seil ⌀16mm x L=107,3m (352 ft)

Wir beraten Sie gerne!

Herr Albert Speil

Vertrieb - Homeoffice Österreich

Herr René Wegener

Vertrieb - Deutschland

Herr Mike Steinhauer

Service & Reparatur

Herr Stephan von Malottki

Ersatzteile